English
Español
Português
русский
Français
日本語
Deutsch
tiếng Việt
Italiano
Nederlands
ภาษาไทย
Polski
한국어
Svenska
magyar
Malay
বাংলা ভাষার
Dansk
Suomi
हिन्दी
Pilipino
Türkçe
Gaeilge
العربية
Indonesia
Norsk
تمل
český
ελληνικά
український
Javanese
فارسی
தமிழ்
తెలుగు
नेपाली
Burmese
български
ລາວ
Latine
Қазақша
Euskal
Azərbaycan
Slovenský jazyk
Македонски
Lietuvos
Eesti Keel
Română
Slovenski
मराठी
Srpski језик
Карактеристике производа
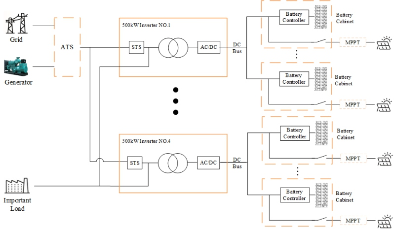
1. Оптерећења која прелазе 500 кВ, препоручује се употреба инвертера за складиштење енергије са једном јединицом од 500 кВ великог капацитета, који може да подржи до четири сета паралелних веза, постижући укупну излазну снагу од 2 МВ;
2. Када паралелно радите са више система од 500 кВ и дистрибуирате СТСа на различите претвараче од 500 кВ, кључно је осигурати да је дужина кабла од тачке везивања на мрежи до тачке везивања оптерећења конзистентна;
3. Хибридни ЕСС користи фотонапонску интеграцију спрегнуте једносмерном струјом, постижући високу ефикасност конверзије енергије и оптимизован за сценарије ван мреже са капацитетом ПВ производње који премашује потражњу за оптерећењем; МППТ са оценом на отвореном
контролери интегришу комбинатор и МППТ функционалности у једно ојачано кућиште. Комплетан систем укључује дизел генератор АТС опцију, 300кВ хибридни инвертер, ПВ МППТ контролер и батерију
систем за складиштење енергије.


Спецификација
| Модели | П500ТС-400-А | |
|
ДЦ-Сиде параметри |
Опсег напона | 500-950В |
| Максимална струја | 1128А | |
| Називна излазна снага | 500кВ | |
|
АЦ-Сиде параметри (повезан са мрежом) |
Максимална излазна снага | 550кВ |
| Називна излазна струја | 722А | |
| ТХДи | <3% | |
| Тип мреже | 3В+Н+ПЕ | |
| Опсег напона | 360ВАЦ~440ВАЦ | |
| Фреквенцијски опсег | 45~55Хз/55~65Хз | |
| Фактор снаге | -1~1 | |
| Називна излазна снага | 500кВ | |
|
АЦ бочни параметри (ван мреже) |
Називни излазни напон | 400В |
| Називна излазна фреквенција | 50/60Хз | |
| ТХДу | <1%линеарно оптерећење,<5%нелинеарно оптерећење | |
| Капацитет преоптерећења | 110%10 минута | |
| Бајпас прекидач за одржавање | 1250А | |
|
Офф-Грид прекидач и конфигурација прекидача |
ДЦ прекидач | 1250А |
| Прекидач оптерећења | 1250А | |
| Мрежни прекидач | 1250А | |
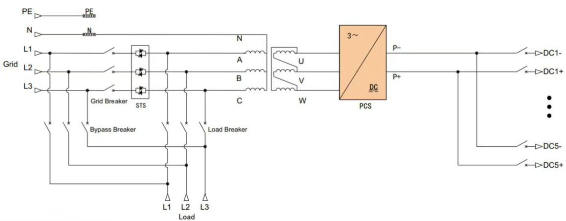
| СТС јединица | 1155А/800кВ | |
| Време пребацивања | <20мс | |
|
Параметри система |
Пеакефициенци | 97,5% |
| Радна температура | -30~55℃ (смањење вредности изнад 40℃) | |
| Релативна влажност | 0 до 95% релативне влажности, без кондензације | |
| Димензије (Д*Д*В) | 1600×1050×2050 мм | |
| Тежина | 2700кг | |
| ИПграде | ИП21 ИП21 (комплетна машина) | |
| Бука | <70дБ | |
| Приказ екрана | ЛЦД | |
| БМС комуникација | ЦАН | |
| ЕМС комуникација | ТЦП/ИП | |