English
Español
Português
русский
Français
日本語
Deutsch
tiếng Việt
Italiano
Nederlands
ภาษาไทย
Polski
한국어
Svenska
magyar
Malay
বাংলা ভাষার
Dansk
Suomi
हिन्दी
Pilipino
Türkçe
Gaeilge
العربية
Indonesia
Norsk
تمل
český
ελληνικά
український
Javanese
فارسی
தமிழ்
తెలుగు
नेपाली
Burmese
български
ລາວ
Latine
Қазақша
Euskal
Azərbaycan
Slovenský jazyk
Македонски
Lietuvos
Eesti Keel
Română
Slovenski
मराठी
Srpski језик |
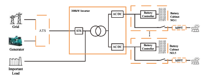
Феатуре Систем користи модуларне инвертерске јединице у паралелној конфигурацији, где ДЦ улаз сваког инверторског модула одговара наменском ормарићу за батерије, омогућавајући управљање по кластерима да елиминише циркулишуће струје између жице за батерије. АЦ/ДЦ модули за напајање подржавају флексибилну примену како у количини тако иу називна снага, са максималним капацитетом модула од 60кВ у паралели од 5 јединица конфигурацију. Излаз наизменичне струје из енергетских модула се испоручује преко трансформатора изоловани излазни степен, напајајући оптерећење са јаким отпором на тренутни шок. Хибридни ЕСС користи фотонапонску интеграцију спојену једносмерном струјом, постижући високе ефикасност конверзије енергије и оптимизован за сценарије ван мреже са ПВ производни капацитет који премашује потражњу за оптерећењем; МППТ контролери за спољашњу употребу интегрише комбинатор и МППТ функционалности у једно ојачано кућиште. Комплетан систем укључује дизел генератор АТС опцију, 300кВ хибрид инвертер, ПВ МППТ контролер и систем за складиштење енергије батерије.
Феатуре Систем користи модуларне инвертерске јединице у паралелној конфигурацији, где ДЦ улаз сваког инверторског модула одговара наменском ормарићу за батерије, омогућавајући управљање по кластерима да елиминише циркулишуће струје између жице за батерије. АЦ/ДЦ модули за напајање подржавају флексибилну примену како у количини тако иу називна снага, са максималним капацитетом модула од 60кВ у паралели од 5 јединица конфигурацију. Излаз наизменичне струје из енергетских модула се испоручује преко трансформатора изоловани излазни степен, напајајући оптерећење са јаким отпором на тренутни шок. Хибридни ЕСС користи фотонапонску интеграцију спојену једносмерном струјом, постижући високе ефикасност конверзије енергије и оптимизован за сценарије ван мреже са ПВ производни капацитет који премашује потражњу за оптерећењем; МППТ контролери за спољашњу употребу интегрише комбинатор и МППТ функционалности у једно ојачано кућиште. Комплетан систем укључује дизел генератор АТС опцију, 300кВ хибрид инвертер, ПВ МППТ контролер и систем за складиштење енергије батерије.
Спецификације |
|||||
| Модели | П200ТС-400-А | П250ТС-400-А | П300ТС-400-А | ||
|
ДЦ-Сиде параметри |
Опсег напона | 650-950Вдц | |||
| Улазни прекидач по модулу | 250А | ||||
| Број ДЦ канала | 3 ваи | 4 ваи | 5 начин | ||
|
АЦ-Сиде параметри (повезан са мрежом) |
Називна излазна снага | 200кВ | 250кВ | 300кВ | |
| Максимална излазна снага | 220кВ | 275кВ | 330кВ | ||
| Називна излазна струја | 289А | 361А | 433А | ||
| ТХДи | <3% | ||||
| Тип мреже | 3В+Н+ПЕ | ||||
| Опсег напона | 360Вац~440Вац | ||||
| Фреквенцијски опсег | 45~55Хз/55~65Хз | ||||
| Фактор снаге | -1~1 | ||||
|
Исландед Параметри на страни наизменичне струје |
Називна излазна снага | 200кВ | 250кВ 300кВ | ||
| Називни излазни напон | 400Вац | ||||
| Називна излазна фреквенција | 50/60Хз | ||||
| ТХДу | <1% линеарно, <5% нелинеарно<1% линеарно, <5% нелинеарно | ||||
| Капацитет преоптерећења | 110% преоптерећења за 10 минута 110% за 10 минута | ||||
|
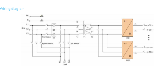
Грид-Исландинг Пренос и разводни уређај |
Бајпас прекидач за одржавање | 400А | 630А | ||
| Мрежни прекидачи | 630А | 800А | |||
| Прекидачи оптерећења | 400А | 630А | |||
| СТС јединица | 577А/400кВ | 722А/500кВ | |||
| Време пребацивања | <20мс | ||||
|
Параметри система |
Врхунска ефикасност | 97,5% | |||
| Радна температура | -30~55℃-30~55℃ (смањење вредности изнад 40℃) | ||||
| Релативна влажност | 0~95%РХ,0~95%РХ,Без кондензације | ||||
| Димензије (Д*Д*В) | 1300×1050×2050 мм | ||||
| Тежина | 1400кг | 1700 кг 1800 кг | |||
| ИПграде | ИП21 ИП21 (пун сет) | ||||
| Бука | <70дБ | ||||
| Приказ екрана | ЛЦД екран осетљив на додир | ||||
| БМС комуникација | ЦАН | ||||
| ЕМС комуникација | ТЦП/ИП | ||||