English
Español
Português
русский
Français
日本語
Deutsch
tiếng Việt
Italiano
Nederlands
ภาษาไทย
Polski
한국어
Svenska
magyar
Malay
বাংলা ভাষার
Dansk
Suomi
हिन्दी
Pilipino
Türkçe
Gaeilge
العربية
Indonesia
Norsk
تمل
český
ελληνικά
український
Javanese
فارسی
தமிழ்
తెలుగు
नेपाली
Burmese
български
ລາວ
Latine
Қазақша
Euskal
Azərbaycan
Slovenský jazyk
Македонски
Lietuvos
Eesti Keel
Română
Slovenski
मराठी
Srpski језик
Карактеристика производаес
1, ДЦ генерација и ДЦ складиштење, већа ефикасност и мањи губитак, што је погодно за ПВ, а снага складиштења је већа
него сценарији оптерећења напајања ван мреже;
2, ИП65 заштита, задовољавајући употребу на отвореном. МППТ у близини повећава излаз конвергенције, што помаже у спречавању ожичења
конфузија узрокована вишеструким фотонапонским (ПВ) кабловима који се преносе на велике удаљености до система све-у-једном.
3, 200-900В широког напонског опсега фотонапонског улаза, подржава приступ фотонапонском модулу високе струје у индустрији.
4、Мулти-цханнел МППТ, сусрет са ПВ панелом из више углова
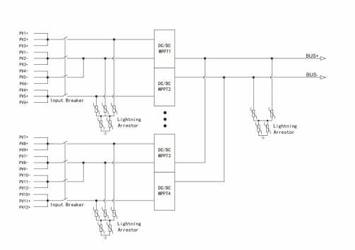
Дијаграм ожичења

Спецификација
| Модели | МППТ-8 | МППТ-6 | МППТ-12 | |
| ПВ-Сиде Интерфаце Параметерс |
Максимални напон ПВ поља | 900В | ||
| МППТ опсег напона | 200В-900В | |||
| Називни МППТ опсег напона | 560В-900В | |||
| Максимална струја гране | 24А | 20А | ||
| Број улазних низова ПВ | 8 | 6 | 12 | |
| Број МППТ | 8 | 2 | 4 | |
| Струја по МППТ | 20А | 55А | ||
| Излазни параметри | Опсег напона | 600-950В | ||
| Називни напон | Подразумевано 716.8В, подесиво | |||
| Називна излазна струја | 118А | 84А | 168А | |
| Називна излазна снага | 84кВ | 60кВ | 120кВ | |
| Максимална излазна струја | 192А | 120А | 240А | |
| Систем Параметерс | ЕУе циенци | 99,4% | ||
| ИП граде | ИП65 | |||
| Концепт хлађења | Природна конвекција | Принудно ваздушно хлађење | ||
| Димензије (Ш*Д*В) | 550к530к280мм | 630×460×260 мм | 630×460×260 мм | |
| Тежина | 42кг | 25кг | 30кг | |
| Радна температура | -30~55℃ | |||
| Начини напајања | Самостално (без потрошње струје ноћу) | |||
| Комуникациони интерфејс | РС485 | |||
